- 软件介绍
- 软件截图
- 下载地址
- 相关评论(0)
JBT81-2015标准是一份关于板式平焊钢制管法兰的国家标准规范,其中详细的介绍了技术参数和周边设施概要,是工程施工人员的必备参考文档,如有需要欢迎来下载试用阅读。
内容介绍:
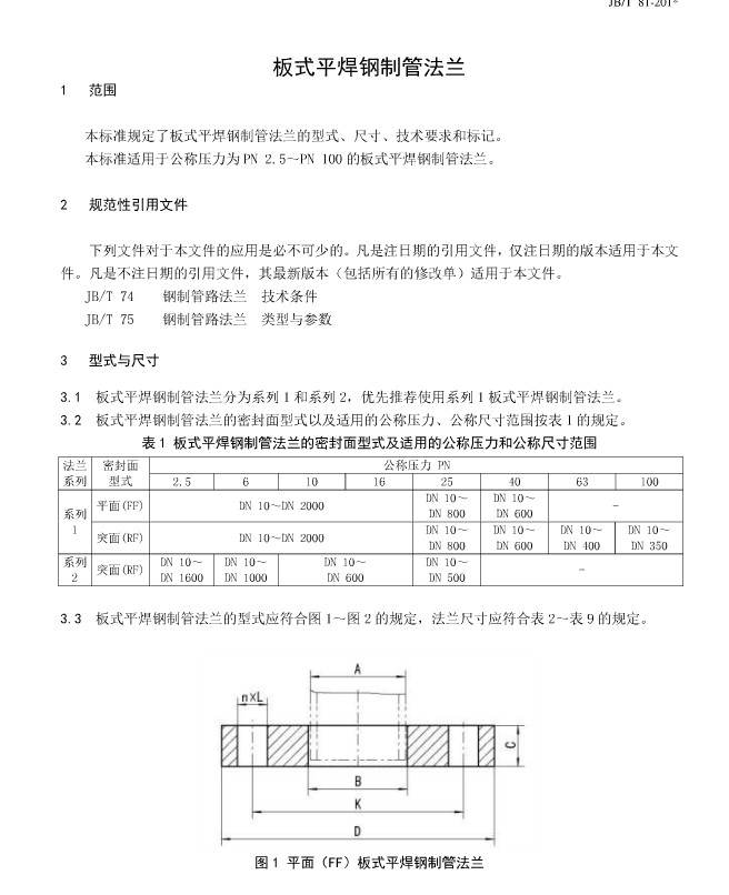
本标准规定了板式平焊钢制管法兰的型式、尺寸、技术要求和标记。
本标准适用于公称压力为PN 2.5~PN 100的板式平焊钢制管法兰。

使用方法:
1、在当易网下载JBT81-2015标准
2、解压到任意文件夹
3、使用pdf阅读器打开即可查看
- 下载地址
软件排行榜
热门推荐
-
HomeFit家装预算软件下载
v1.0.0 正式版 / 3.05M / 简体中文
-
sap2000中文版下载
v17.3 绿色版 / 545.50M / 简体中文
-
DBJT02-81-2013图集电子版下载
/ 97.42M / 简体中文
-
JBT81-2015标准免费下载
pdf免费版 / 1.08M / 简体中文
-
TB10415-2003标准免费下载
pdf免费版 / 11.29M / 简体中文
-
我家我设计免费下载
v7.0 最新正式版 / 47.09M / 简体中文
-
罐体计算软件下载
v1.0 绿色版 / 34KB / 简体中文
热门标签
装机必备软件
-
网易云音乐音频播放
影音先锋视频播放
360安全卫士安全防护
爱奇艺视频播放
360杀毒杀毒软件
迅雷下载工具
驱动精灵驱动工具
酷我音乐音频播放
WPS办公软件
暴风影音视频播放
吉吉影音视频播放
微信电脑版聊天工具
搜狗输入法文字输入
美图秀秀图像处理
360浏览器上网浏览
- 视频
- 芒果tv腾讯视频优酷视频爱奇艺
- 解压
- rar解压软件7zip解压软件视频压缩软件winrar
- 剪辑
- 剪映会声会影premiereaudition
- p图
- 光影魔术手coreldraw美图秀秀photoshop
- 办公
- 腾讯会议钉钉officewps
- 杀毒
- 诺顿小红伞金山毒霸360杀毒
- 直播
- 抖音快手斗鱼直播虎牙直播
- 翻译
- 谷歌翻译插件百度翻译有道词典金山词霸
- cad
- cad插件浩辰cad中望cad天正建筑
- 编程
- EditPlusnotepadsublimevisual studio
- 安全
- 火绒卡巴斯基腾讯电脑管家360安全卫士
- 下载
- utorrentidm下载器比特彗星迅雷电脑版
- 网盘
- 阿里云盘和彩云网盘腾讯微云百度网盘
- 聊天
- 微信电脑版yy语音阿里旺旺qq
- 财务
- 用友软件开票软件管家婆软件金蝶软件
- 浏览器
- 火狐浏览器谷歌浏览器qq浏览器360浏览器
- 驱动
- 驱动人生网卡驱动驱动精灵显卡驱动
- 检测
- cpuzaida64安兔兔鲁大师
- 音乐
- 网易云音乐酷我音乐酷狗音乐qq音乐
- 播放器
- potplayerkmplayer影音先锋暴风影音


